Descrição
A corrente Tsubaki ANSI Super-H foi concebida para aplicações que exigem elevada resistência e durabilidade.
Principais características:
Elevada capacidade de carga: Oferece uma maior capacidade de carga do que a série Super, sendo ideal para aplicações onde o espaço é limitado.
Placas de elos reforçadas: As placas de elos têm a mesma espessura que as correntes de rolos de série pesada da norma ASME/ANSI, proporcionando uma maior resistência.
Pinos endurecidos: Os pinos são endurecidos, o que aumenta a resistência à tracção e à fadiga.
Aplicações típicas: Adequada para condições de funcionamento de baixa velocidade (até 50 m/min), como por exemplo nos setores da mineração e da construção.
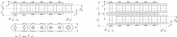
Características
SIMPLES |
|
Corrente Tsubaki No. | Passo | Diâmetro do Rolo | Lar. Int. do Elo Interno | Pinos | Placas | Passo Trans. | Força de tensão mínima | Força de tensão média | Peso Aproximada |
||||
P | R | W | Diâmetro (D) | Dimensões (L1) |
(L2) | Espessura (T1) | Altura H (Max.) |
pt | kN | Kg/m | Kg/m | ||
RS80-SUPER-H-1 | 25.40 | 1" | 15.88 | 15.88 | 7.94 | 18.3 | 20.9 | 4.0 | 24.1 | - | 85.3 | 98.1 | 3.29 |
RS100-SUPER-H-1 | 31.75 | 11/4" | 19.05 | 19.05 | 9.54 | 21.8 | 24.5 | 4.8 | 30.1 | - | 127 | 145 | 4.88 |
RS120-SUPER-H-1 | 38.10 | 11/2" | 22.23 | 25.40 | 11.11 | 26.95 | 30.55 | 5.6 | 36.2 | - | 171 | 196 | 6.94 |
RS140-SUPER-H-1 | 44.45 | 13/4" | 25.40 | 25.40 | 12.71 | 28.9 | 33.1 | 6.4 | 42.2 | - | 222 | 255 | 8.88 |
RS160-SUPER-H-1 | 50.80 | 2" | 28.58 | 31.75 | 14.29 | 33.95 | 38.45 | 7.15 | 48.2 | - | 281 | 324 | 11.72 |
RS200-SUPER-H-1 | 63.50 | 21/2" | 39.68 | 38.10 | 19.85 | 42.9 | 48.1 | 9.5 | 60.3 | - | 520 | 598 | 11.72 |
RS240-SUPER-H-1 | 76.20 | 3" | 47.63 | 47.63 | 23.81 | 54.8 | 62.3 | 12.7 | 72.4 | - | 802 | 922 | 30.47 |
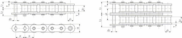
DUPLA |
|
Corrente Tsubaki No. | Passo | Diâmetro do Rolo | Lar. Int. do Elo Interno | Pinos | Placas | Passo Trans. | Força de tensão mínima | Força de tensão média | Peso Aproximada |
||||
P | R | W | Diâmetro (D) | Dimensões (L1) |
(L2) | Espessura (T1) | Altura H (Max.) |
pt | kN | Kg/m |
Kg/m | ||
RS80-SUPER-H-2 | 25.40 | 1" | 15.88 | 15.88 | 7.94 | 34.6 | 37.2 | 4.0 | 24.1 | 32.6 | 171 | 196 | 6.52 |
RS100-SUPER-H-2 | 31.75 | 11/4" | 19.05 | 19.05 | 9.54 | 41.4 | 44.1 | 4.8 | 30.1 | 39.1 | 235 | 290 | 9.51 |