Descrição
Since 1917 Tsubakimoto Chain Company has maintained a line-up of cutting-edge chain products with exceptional quality and performance that help end-users meet their power transmission and conveying requirements.
Tsubaki is proud to introduce the 4th generation, enhanced BS/DIN European premium chain. The product is available in chain sizes from RF06B up to RS48B*. Simplex, duplex and triplex executions are at your disposal.
*RF06B curled bush; RS56B/RS72B on request
Características
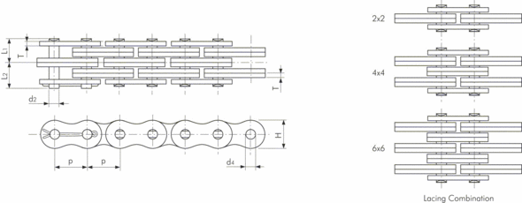
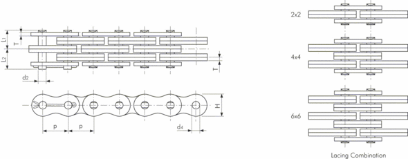
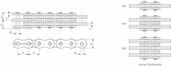
Combinação 2x2 |
|
Corrente Tsubaki No. | Passo | Combinações | Pinos | Placas | Dimensões do Furo |
Força tensão mínima |
Peso Aprox. | ||||
P | LC |
Diâmetro (D2) | Comprimento (L) | Comprimento (L2) |
Espessura (T1) | Altura H (Max.) |
d4 | kN | Kg/m | ||
AL422 | 12.70 | 1/2" | 2x2 | 3.97 | 4.20 | 5.30 | 1.50 | 10.40 | 4.02 | 16.7 | 0.38 |
AL522 |
15.875 | 5/8" | 2x2 | 5.08 | 5.43 | 6.97 | 2.00 | 13.00 | 5.13 | 27.5 | 0.62 |
AL622 | 19.05 | 3/4" | 2x2 | 5.94 | 6.33 | 8.22 | 2.40 | 15.60 | 6.00 | 38.2 | 0.87 |
AL822 | 25.40 | 1" | 2x2 | 7.90 | 8.18 | 10.97 | 3.20 | 20.80 | 7.97 | 64.7 | 1.51 |
AL1022 | 31.75 | 11/4" | 2x2 | 9.48 | 10.03 | 13.22 | 4.00 | 26.00 | 9.57 | 98.1 | 2.69 |
AL1222 | 38.10 | 11/2" | 2x2 | 11.04 | 12.10 | 15.80 | 4.80 | 31.20 | 11.14 | 141.0 | 3.57 |
Combinação 4x4 |
|
Corrente Tsubaki No. | Passo | Combinações | Pinos | Placas | Dimensões do Furo |
Força tensão mínima |
Peso Aprox. | ||||
P | LC |
Diâmetro (D2) | Comprimento (L) | Comprimento (L2) |
Espessura (T1) | Altura H (Max.) |
d4 | kN | Kg/m | ||
AL444 | 12.70 | 1/2" | 4x4 | 3.97 | 7.43 | 8.52 | 1.50 | 10.40 | 4.02 | 33.3 | 0.74 |
AL544 |
15.875 | 5/8" | 4x4 | 5.08 | 9.68 | 11.22 | 2.00 | 13.00 | 5.13 | 54.9 | 1.22 |
AL644 | 19.05 | 3/4" | 4x4 | 5.94 | 11.28 | 13.17 | 2.40 | 15.60 | 6.00 | 76.5 | 1.71 |
AL844 | 25.40 | 1" | 4x4 | 7.90 | 14.90 | 17.70 | 3.20 | 20.80 | 7.97 | 129.0 | 2.98 |
AL844 | 31.75 | 11/4" | 4x4 | 9.48 | 18.35 | 21.55 | 4.00 | 26.00 | 9.57 | 196.0 | 5.31 |
AL1244 | 38.10 | 11/2" | 4x4 | 11.04 | 22.00 | 25.70 | 4.80 | 31.20 | 11.14 | 282.0 | 7.07 |
AL1444 | 44.45 | 13/4" | 4x4 | 12.64 | 25.65 | 30.15 | 5.60 | 36.40 | 12.74 | 373.0 | 10.34 |
AL1644 | 50.80 | 2" | 4x4 | 14.21 | 29.03 | 34.02 | 6.40 | 41.60 | 14.32 | 471.0 | 12.98 |
Combinação 6x6 |
|
Corrente Tsubaki No. | Passo | Combinações | Pinos | Placas | Dimensões do Furo |
Força tensão mínima |
Peso Aprox. | ||||
P | LC |
Diâmetro (D2) | Comprimento (L) | Comprimento (L2) |
Espessura (T1) | Altura H (Max.) |
d4 | kN | Kg/m | ||
AL466 | 12.70 | 1/2" | 6x6 | 3.97 | 10.65 | 11.75 | 1.50 | 10.40 | 4.02 | 50.5 | 1.10 |
AL566 |
15.875 | 5/8" | 6x6 | 5.08 | 13.90 | 15.45 | 2.00 | 13.00 | 5.13 | 82.4 | 1.81 |
AL666 | 19.05 | 3/4" | 6x6 | 5.94 | 16.23 | 18.12 | 2.40 | 15.60 | 6.00 | 115.0 | 2.54 |
AL866 | 25.40 | 1" | 6x6 | 7.90 | 21.60 | 24.40 | 3.20 | 20.80 | 7.97 | 194.0 | 4.44 |
AL1066 | 31.75 | 1 1/4" | 6x6 | 9.48 | 26.65 | 29.85 | 4.00 | 26.00 | 9.57 | 294.0 | 7.93 |
AL1266 | 38.10 | 1 1/2" | 6x6 | 11.04 | 31.93 | 35.62 | 4.80 | 31.20 | 11.14 | 424.0 | 10.65 |
AL1466 | 44.45 | 1 3/4" | 6x6 | 12.64 | 37.28 | 41.77 | 5.60 | 36.40 | 12.74 | 559.0 | 15.16 |
AL1666 | 50.80 | 2" | 6x6 | 14.21 | 42.23 | 47.22 | 6.40 | 41.60 | 14.32 | 706.0 | 19.41 |