Descrição
Since 1917 Tsubakimoto Chain Company has maintained a line-up of cutting-edge chain products with exceptional quality and performance that help end-users meet their power transmission and conveying requirements.
Tsubaki is proud to introduce the 4th generation, enhanced BS/DIN European premium chain. The product is available in chain sizes from RF06B up to RS48B*. Simplex, duplex and triplex executions are at your disposal.
*RF06B curled bush; RS56B/RS72B on request
Características
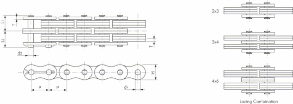
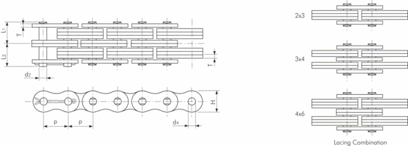
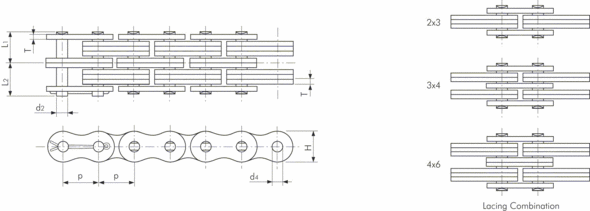
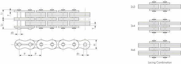
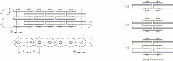
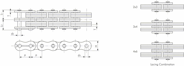
Combinação 2x2 |
|
Corrente Tsubaki No. | Passo | Combinações | Pinos | Placas | Dimensões do Furo |
Força tensão mínima |
Peso Aprox. | ||||
P | LC |
Diâmetro (D2) | Comprimento (L) | Comprimento (L2) |
Espessura (T) | Altura H (Max.) |
d4 | kN | Kg/m | ||
BL422 | 12.70 | 1/2" | 2x2 | 5.08 | 5.44 | 6.99 | 2.00 | 12.00 | 5.13 | 23.5 | 0.68 |
BL522 |
15.875 | 5/8" | 2x2 | 5.94 | 6.32 | 8.23 | 2.40 | 15.00 | 5.13 | 39.2 | 1.07 |
BL622 | 19.05 | 3/4" | 2x2 | 7.90 | 8.20 | 11.02 | 3.20 | 18.10 | 7.97 | 63.7 | 1.68 |
BL822 | 25.40 | 1" | 2x2 | 9.48 | 10.08 | 13.28 | 4.00 | 24.10 | 9.57 | 103.0 | 2.59 |
BL1022 | 31.75 | 11/4" | 2x2 | 11.04 | 11.99 | 15.67 | 4.80 | 30.10 | 11.14 | 141.0 | 3.76 |
BL1222 | 38.10 | 11/2" | 2x2 | 12.64 | 14.02 | 18.54 | 5.60 | 36.20 | 12.74 | 186.0 | 4.83 |
BL1422 | 44.45 | 13/4" | 2x2 | 14.21 | 15.82 | 20.83 | 6.40 | 42.20 | 14.32 | 235.0 | 7.31 |
BL1622 | 50.80 | 2" | 2x2 | 17.38 | 17.81 | 24.41 | 7.20 | 48.20 | 17.49 | 353.0 | 9.84 |
Combinação 2x3 |
|
Corrente Tsubaki No. | Passo | Combinações | Pinos | Placas | Dimensões do Furo |
Força tensão mínima |
Peso Aprox. | ||||
P | LC |
Diâmetro (D2) | Comprimento (L) | Comprimento (L2) |
Espessura (T1) | Altura H (Max.) |
d4 | kN | Kg/m | ||
BL423 | 12.70 | 1/2" | 2x3 | 5.08 | 6.48 | 8.02 | 2.00 | 12.00 | 5.13 | 23.5 | 0.84 |
BL523 |
15.875 | 5/8" | 2x3 | 5.94 | 7.55 | 9.45 | 2.40 | 15.00 | 6.00 | 39.2 | 1.27 |
BL623 | 19.05 | 3/4" | 2x3 | 5.94 | 9.88 | 12.67 | 3.20 | 18.10 | 7.97 | 63.7 | 2.04 |
BL823 | 25.40 | 1" | 2x3 | 9.48 | 12.10 | 15.30 | 4.00 | 24.10 | 9.57 | 103.0 | 3.20 |
BL1023 | 31.75 | 11/4" | 2x3 | 11.04 | 14.45 | 18.15 | 4.80 | 30.10 | 11.14 | 141.0 | 4.69 |
BL1223 | 38.10 | 11/2" | 2x3 | 12.64 | 16.95 | 21.45 | 5.60 | 36.20 | 12.74 | 186.0 | 6.54 |
BL1423 | 44.45 | 13/4" | 2x3 | 14.21 | 19.10 | 24.10 | 6.40 | 42.20 | 14.32 | 235.0 | 9.06 |
BL1623 | 50.80 | 2" | 2x3 | 17.38 | 21.63 | 28.22 | 7.20 | 48.20 | 17.49 | 353.0 | 12.16 |
Combinação 3X4 |
|
Corrente Tsubaki No. | Passo | Combinações | Pinos | Placas | Dimensões do Furo |
Força tensão mínima |
Peso Aprox. | ||||
P | LC |
Diâmetro (D2) | Comprimento (L) | Comprimento (L2) |
Espessura (T1) | Altura H (Max.) |
d4 | kN | Kg/m | ||
BL434 |
12.70 | 12.70 | 3x4 | 5.08 | 8.61 | 10.15 | 2.00 | 12.00 | 5.13 | 35.3 | 1.13 |
BL534 |
15.875 | 15.875 | 3x4 | 5.94 | 10.05 | 11.95 | 2.40 | 15.00 | 6.00 | 58.8 | 1.69 |
BL634 | 19.05 | 19.05 | 3x4 | 7.90 | 13.23 | 16.02 | 3.20 | 18.10 | 7.97 | 95.6 | 2.83 |
BL834 | 25.40 | 25.40 | 3x4 | 9.48 | 16.28 | 19.47 | 4.00 | 24.10 | 9.57 | 155.7 | 4.44 |
BL1034 | 31.75 | 31.75 | 3x4 | 11.04 | 19.43 | 23.12 | 4.80 | 30.10 | 11.14 | 216.0 | 6.55 |
BL1234 | 38.10 | 38.10 | 3x4 | 12.64 | 22.75 | 27.25 | 5.60 | 36.20 | 12.74 | 299.0 | 9.10 |
BL1434 | 44.45 | 44.45 | 3x4 | 14.21 | 25.70 | 30.70 | 6.40 | 42.20 | 14.32 | 387.0 | 11.32 |
BL1634 | 50.80 | 50.80 | 3x4 | 17.38 | 29.20 | 35.80 | 7.20 | 48.20 | 17.49 | 554.0 | 16.95 |
Combinação 4X4 |
|
Corrente Tsubaki No. | Passo | Combinações | Pinos | Placas | Dimensões do Furo |
Força tensão mínima |
Peso Aprox. | ||||
P | LC |
Diâmetro (D2) | Comprimento (L) | Comprimento (L2) |
Espessura (T1) | Altura H (Max.) |
d4 | kN | Kg/m | ||
BL444 |
12.70 | 1/2" | 4x4 | 5.08 | 9.70 | 11.25 | 2.00 | 12.00 | 5.13 | 47.1 | 1.28 |
BL544 |
15.875 | 5/8" | 4x4 | 5.94 | 11.28 | 13.18 | 2.40 | 15.00 | 6.00 | 78.5 | 1.89 |
BL644 | 19.05 | 3/4" | 4x4 | 7.90 | 14.91 | 17.70 | 3.20 | 18.10 | 7.97 | 127.0 | 3.18 |
BL844 | 25.40 | 1" | 4x4 | 9.48 | 18.47 | 21.67 | 4.00 | 24.10 | 9.57 | 206.0 | 5.04 |
BL1044 | 31.75 | 11/4" | 4x4 | 11.04 | 21.69 | 25.37 | 4.80 | 30.10 | 11.14 | 282.0 | 7.48 |
BL1244 | 38.10 | 11/2" | 4x4 | 12.64 | 25.65 | 30.18 | 5.60 | 36.20 | 12.74 | 373.0 | 10.39 |
BL1444 | 44.45 | 13/4" | 4x4 | 14.21 | 29.03 | 34.04 | 6.40 | 42.20 | 14.32 | 471.0 | 12.96 |
BL1644 | 50.80 | 2" | 4x4 | 17.38 | 32.94 | 39.55 | 7.20 | 48.20 | 17.49 | 706.0 | 18.97 |
Combinação 4X6 |
|
Corrente Tsubaki No. | Passo | Combinações | Pinos | Placas | Dimensões do Furo |
Força tensão mínima |
Peso Aprox. | ||||
P | LC |
Diâmetro (D2) | Comprimento (L) | Comprimento (L2) |
Espessura (T1) | Altura H (Max.) |
d4 | kN | Kg/m | ||
BL446 |
12.70 | 1/2" | 4x6 | 5.08 | 11.80 | 13.35 | 2.00 | 12.00 | 5.13 | 47.1 | 1.65 |
BL546 |
15.875 | 5/8" | 4x6 | 5.94 | 13.75 | 15.65 | 2.40 | 15.00 | 6.00 | 78.5 | 2.40 |
BL646 | 19.05 | 3/4" | 4x6 | 7.90 | 18.25 | 21.05 | 3.20 | 18.10 | 7.97 | 127.0 | 4.01 |
BL846 | 25.40 | 1" | 4x6 | 9.48 | 22.50 | 25.70 | 4.00 | 24.10 | 9.57 | 206.0 | 6.32 |
BL1046 | 31.75 | 11/4" | 4x6 | 11.04 | 26.85 | 30.55 | 4.80 | 30.10 | 11.14 | 282.0 | 9.29 |
BL1462 | 38.10 | 11/2" | 4x6 | 12.64 | 31.48 | 35.97 | 5.60 | 36.20 | 12.74 | 373.0 | 12.01 |
BL1446 | 44.45 | 13/4" | 4x6 | 14.21 | 35.63 | 40.62 | 6.40 | 42.20 | 14.32 | 471.0 | 18.00 |
BL1646 | 50.80 | 2" | 4x6 | 17.38 | 40.53 | 47.12 | 7.20 | 48.20 | 17.49 | 706.0 | 24.09 |
Combinação 6X6 |
|
Corrente Tsubaki No. | Passo | Combinações | Pinos | Placas | Dimensões do Furo |
Força tensão mínima |
Peso Aprox. | ||||
P | LC |
Diâmetro (D2) | Comprimento (L) | Comprimento (L2) |
Espessura (T1) | Altura H (Max.) |
d4 | kN | Kg/m | ||
BL466 |
12.70 | 1/2" | 6x6 | 5.08 | 13.89 | 15.44 | 2.00 | 12.00 | 5.13 | 69.4 | 1.96 |
BL566 |
15.875 | 5/8" | 6x6 | 5.94 | 16.23 | 18.14 | 2.40 | 15.00 | 6.00 | 117.4 | 2.80 |
BL666 | 19.05 | 3/4" | 6x6 | 7.90 | 21.62 | 24.41 | 3.20 | 18.10 | 7.97 | 191.2 | 4.73 |
BL866 | 25.40 | 1" | 6x6 | 9.48 | 26.64 | 29.85 | 4.00 | 24.10 | 9.57 | 309.0 | 7.54 |
BL1066 | 31.75 | 11/4" | 6x6 | 11.04 | 31.93 | 35.61 | 4.80 | 30.10 | 11.14 | 424.0 | 11.16 |
BL1266 | 38.10 | 11/2" | 6x6 | 12.64 | 37.29 | 41.81 | 5.60 | 36.20 | 12.74 | 559.0 | 14.58 |
BL1466 | 44.45 | 13/4" | 6x6 | 14.21 | 42.24 | 47.24 | 6.40 | 42.20 | 14.32 | 706.0 | 22.51 |
BL1666 | 50.80 | 2" | 6x6 | 17.38 | 48.08 | 54.69 | 7.20 | 48.20 | 17.49 | 1060.0 | 28.73 |