Descrição
A corrente Tsubaki BS Lambda NP é uma corrente de transmissão concebida para oferecer resistência à corrosão e durabilidade em ambientes adversos.
Aqui estão algumas das suas principais características:
Tratamento de superfície especial: As placas de elo são submetidas a um tratamento de duas camadas para máxima proteção contra as condições operacionais e ambientais.
Resistência à corrosão: Ideal para ambientes expostos a água, chuva ácida e outras condições adversas.
Isento de substâncias perigosas: Não contém substâncias químicas perigosas como Crómio Hexavalente, Chumbo, Cádmio e Mercúrio, conforme regulamentado pela RoHS1.
Temperatura de funcionamento: Funciona numa gama de temperaturas de -10°C a +150°C1.
Esta corrente é especialmente adequada para aplicações que exigem uma elevada resistência à corrosão e onde a manutenção é difícil ou indesejada.
Características
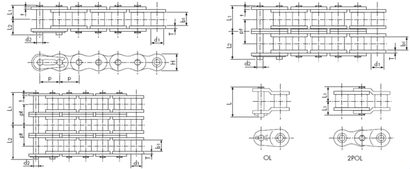
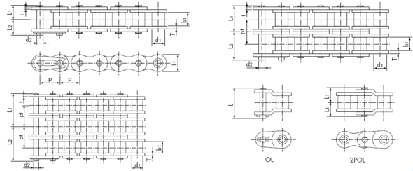
SIMPLES |
|
Corrente Tsubaki No. | Passo | Diâmetro do Rolo | Lar. Int. do Elo Interno | Pinos | Placas | Passo Trans. | Força tensão min. |
Força tensão média | Peso Aprox. | ||||||
P | d1 | b1 | Diâmetro (D2) | Dimensões (L1) |
(L2) | Comprimento (L) |
Espessura (T1) | (t) |
Altura H (Max.) |
pt | kN | kN |
Kg/m | ||
RF06B-NP-1 |
9.525 | 3/8" | 6.35 | 5.72 | 3.28 | 6.35 | 7.65 | 14.20 | 1.30 | 1.00 | 8.20 | - | 9.0 | 9.9 | 0.39 |
RS08B-NP-1 |
12.70 | 1/2" | 8.51 | 7.75 | 4.45 | 8.40 | 10.00 | 18.40 | 1.60 | 1.60 | 11.80 | - | 19.0 | 20.9 | 0.70 |
RS10B-NP-1 |
15.875 | 5/8" | 10.16 | 9.65 | 5.08 | 9.55 | 11.25 | 21.10 | 1.50 | 1.50 | 14.70 | - | 23.0 | 25.3 | 0.95 |
RS12B-NP-1 |
19.05 | 3/4" | 12.07 | 11.68 | 5.72 | 11.20 | 13.10 | 24.80 | 1.80 | 1.80 | 16.10 | - | 31.0 | 34.1 | 1.25 |
RS16B-NP-1 |
25.40 | 1" | 15.88 | 17.02 | 8.28 | 17.75 | 19.95 | 38.90 | 4.00 | 3.20 | 21.00 | - | 70.0 | 77.0 | 2.70 |
RS20B-NP-1 |
31.75 | 1 1/4" | 19.05 | 19.56 | 10.19 | 19.90 | 23.10 | 46.95 | 4.40 | 3.40 | 26.00 | - | 98.1 | 108.0 | 3.85 |
RS24B-NP-1 |
38.10 | 1 1/2" | 25.40 | 25.40 | 14.63 | 26.65 | 31.85 | 62.00 | 6.00 | 5.60 | 33.40 | - | 167.0 | 184.0 | 7.45 |
RS28B-NP-1 |
44.45 | 1 3/4" | 27.94 | 30.99 | 15.90 | 32.45 | 37.45 | 74.50 | 7.50 | 6.30 | 36.40 | - | 200.0 | 220.0 | 9.45 |
RS32B-NP-1 |
50.80 | 2" | 29.21 | 30.99 | 17.81 | 32.10 | 37.70 | 73.50 | 7.00 | 6.30 | 42.20 | - | 255.0 | 281.0 | 10.25 |
DUPLA |
|
Corrente Tsubaki No. | Passo | Diâmetro do Rolo | Lar. Int. do Elo Interno | Pinos | Placas | Passo Trans. | Força tensão ISO 606 | Força tensão Tsubaki | Peso Aprox. | ||||||
P | d1 | b1 | Diâmetro (d2) | Dimensões (L1) |
L2 | Comprimento (L) |
Espessura (T) | t |
Altura H (Max.) |
pt | kN | kN |
Kg/m | ||
RF06B-NP-2 | 9.525 | 3/8" | 6.35 | 5.72 | 3.28 | 11.43 | 12.57 | - | 1.30 | 1.00 | 8.20 | 10.24 | 17.0 | 18.7 | 0.75 |
RS08B-NP-2 | 12.70 | 1/2" | 8.51 | 7.75 | 4.45 | 15.30 | 16.90 | 33.60 | 1.60 | 1.60 | 11.80 | 13.92 | 32.0 | 35.2 | 1.35 |
RS10B-NP-2 | 15.875 | 5/8" | 10.16 | 9.65 | 5.08 | 17.85 | 19.55 | 39.40 | 1.50 | 1.50 | 14.70 | 16.59 | 44.5 | 49.0 | 1.85 |
RS12B-NP-2 | 19.05 | 3/4" | 12.07 | 11.68 | 5.72 | 20.85 | 22.75 | 46.30 | 1.80 | 1.80 | 16.10 | 19.46 | 61.0 | 67.1 | 2.50 |
RS16B-NP-2 | 25.40 | 1" | 15.88 | 17.02 | 8.28 | 33.55 | 35.75 | 73.80 | 4.00 | 3.20 | 21.00 | 31.88 | 128.0 | 141.0 | 5.40 |
RS20B-NP-2 | 31.75 | 1 1/4" | 19.05 | 19.56 | 10.19 | 38.25 | 41.45 | 84.85 | 4.40 | 3.40 | 26.00 | 36.45 | 197.0 | 217.0 | 7.65 |
RS24B-NP-2 | 38.10 | 1 1/2" | 25.40 | 25.40 | 14.63 | 50.80 | 56.00 | 112.95 | 6.00 | 5.60 | 33.40 | 48.36 | 335.0 | 370.0 | 14.65 |
RS28B-NP-2 | 44.45 | 1 3/4" | 27.94 | 30.99 | 15.90 | 62.15 | 67.15 | 136.85 | 7.50 | 6.30 | 36.40 | 59.56 | 374.0 | 411.0 | 18.80 |
RS32B-NP-2 | 50.80 | 2" | 29.21 | 30.99 | 17.81 | 61.25 | 66.85 | 135.25 | 7.00 | 6.30 | 42.20 | 58.55 | 485.0 | 534.0 | 21.10 |
TRIPLA |
|
Corrente Tsubaki No. | Passo | Diâmetro do Rolo | Lar. Int. do Elo Interno | Pinos | Placas | Passo Trans. | Força tensão ISO 606 | Força tensão Tsubaki | Peso Aprox. | ||||||
P | R | W | Diâmetro (D) | Dimensões (L1) |
(L2) | Comprimento (L) |
Espessura (T1) | (T2) |
Altura H (Max.) |
C | kN | kN |
Kg/m | ||
RF06B-NP-3 | 9.525 | 3/8" | 6.35 | 5.72 | 3.28 | 16.90 | 17.50 | - | 1.30 | 1.00 | 8.20 | 10.24 | 24.9 | 27.4 | 1.11 |
RS08B-NP-3 | 12.70 | 1/2" | 8.51 | 7.75 | 4.45 | 22.25 | 23.85 | 47.60 | 1.60 | 1.60 | 11.80 | 13.92 | 47.5 | 52.3 | 2.00 |
RS10B-NP-3 | 15.875 | 5/8" | 10.16 | 9.65 | 5.08 | 26.15 | 27.85 | 56.10 | 1.50 | 1.50 | 14.70 | 16.59 | 66.8 | 73.5 | 2.80 |
RS12B-NP-3 | 19.05 | 3/4" | 12.07 | 11.68 | 5.72 | 30.60 | 32.50 | 66.00 | 1.80 | 1.80 | 16.10 | 19.46 | 92.0 | 101.0 | 3.80 |