Descrição
A corrente Tsubaki ANSI NP é uma corrente de transmissão com revestimento de níquel, concebida para oferecer uma proteção contra a corrosão ligeira e uma boa durabilidade em aplicações industriais de média dimensão.
Características principais:
Revestimento de níquel: O revestimento proporciona uma camada protetora contra a corrosão ligeira, sendo ideal para ambientes com humidade moderada e pouca exposição a produtos químicos agressivos.
Durabilidade: A camada de níquel aumenta a resistência da corrente em relação às correntes standard, embora não seja tão resistente como as de aço inoxidável.
Baixa manutenção: O revestimento de níquel reduz a necessidade de manutenção frequente, mantendo o desempenho mesmo em ambientes ligeiramente corrosivos.
Aplicações: Indicada para os setores de embalagem, processamento e outras indústrias onde é necessária uma resistência moderada à corrosão sem um custo elevado.
Em resumo, a Tsubaki ANSI NP é uma corrente de transmissão económica e fiável, ideal para ambientes que exigem uma proteção contra a corrosão leve e um desempenho durável em operações industriais.
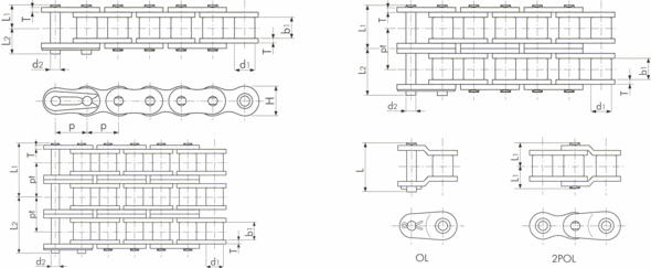
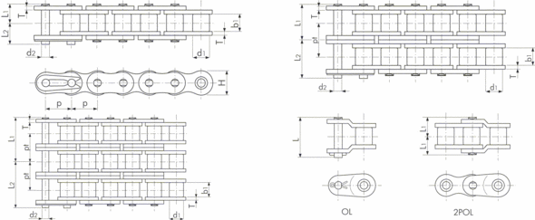
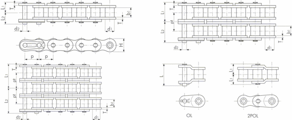
Características
SIMPLES |
|
Corrente Tsubaki No. | Passo | Diâmetro do Rolo | Lar. Int. do Elo Interno | Pinos | Placas | Passo Trans. | Força tensão Min. | Peso Aprox. | |||||
P | d1 | b1 | Diâmetro (d2) | Dimensões (L1) |
L2 | Comprimento (L) |
Espessura (L) | Altura H (Max.) |
pt | kN | Kg/m | ||
RS25-NP-1 | 6.35 | 1/4" | 3.30 | 3.18 | 2.31 | 3.80 | 4.50 | 7.60 | 0.75 | 5.84 | - | 4.1 | 0.14 |
RS35-NP-1 | 9.525 | 3/8" | 5.08 | 4.78 | 3.59 | 5.85 | 6.85 | 13.50 | 1.25 | 9.00 | - | 9.8 | 0.33 |
RS40-NP-1 | 12.70 | 1/2" | 7.92 | 7.95 | 3.97 | 8.25 | 9.95 | 18.00 | 1.50 | 12.00 | - | 17.7 | 0.64 |
RS50-NP-1 | 15.875 | 5/8" | 10.16 | 9.53 | 5.09 | 10.30 | 12.00 | 22.50 | 2.00 | 15.00 | - | 28.4 | 1.04 |
RS60-NP-1 | 19.05 | 3/4" | 11.91 | 12.70 | 5.96 | 12.85 | 14.75 | 28.20 | 2.40 | 18.10 | - | 40.2 | 1.53 |
RS80-NP-1 | 25.40 | 1" | 15.88 | 15.88 | 7.94 | 16.25 | 19.25 | 36.00 | 3.20 | 24.10 | - | 71.6 | 2.66 |
RS100-NP-1 | 31.75 | 1 1/4" | 19.05 | 19.05 | 9.54 | 19.75 | 22.85 | 44.40 | 4.00 | 30.10 | - | 107.0 | 3.99 |
DUPLA |
|
Corrente Tsubaki No. | Passo | Diâmetro do Rolo | Lar. Int. do Elo Interno | Pinos | Placas | Passo Trans. | Força tensão Min. | Peso Aprox. | |||||
P | d1 | b1 | Diâmetro (d2) | Dimensões (L) |
L | Comprimento (L) |
Espessura (T) | Altura H (Max.) |
pt | kN |
Kg/m | ||
RS35-NP-2 |
9.525 | 3/8" | 5.08 | 4.78 | 3.59 | 10.90 | 11.90 | 24.50 | 1.25 | 9.00 | 10.10 | 19.6 | 0.69 |
RS40-NP-2 |
12.70 | 1/2" | 7.92 | 7.95 | 3.97 | 15.45 | 17.15 | 33.50 | 1.50 | 12.00 | 14.40 | 35.3 | 1.27 |
RS50-NP-2 |
15.875 | 5/8" | 10.16 | 9.53 | 5.09 | 19.35 | 21.15 | 41.80 | 2.00 | 15.00 | 18.10 | 56.9 | 2.07 |
RS60-NP-2 |
19.05 | 3/4" | 11.91 | 12.70 | 5.96 | 24.25 | 26.25 | 52.60 | 2.40 | 18.10 | 22.80 | 80.4 | 3.04 |
RS80-NP-2 | 25.40 | 1" | 15.88 | 15.88 | 7.94 | 30.90 | 33.90 | 67.50 | 3.20 | 24.10 | 29.30 | 143.0 | 5.27 |
TRIPLA |
|
Corrente Tsubaki No. | Passo | Diâmetro do Rolo | Lar. Int. do Elo Interno | Pinos | Placas | Passo Trans. | Força tensão Min. | Peso Aprox. | |||||
P | d1 | b1 | Diâmetro (d2) | Dimensões (L1) |
L | Comprimento (L) |
Espessura (T) | Altura H (Max.) |
pt | kN |
Kg/m | ||
RS35-NP-3 | 9.525 | 3/8" | 5.08 | 4.78 | 3.59 | 16.00 | 16.90 | 34.60 | 1.25 | 9.00 | 10.10 | 29.4 | 1.05 |
RS40-NP-3 | 12.70 | 1/2" | 7.92 | 7.95 | 3.97 | 22.65 | 24.15 | 47.90 | 1.50 | 12.00 | 14.40 | 53.0 | 1.90 |
RS50-NP-3 | 15.875 | 5/8" | 10.16 | 9.53 | 5.09 | 28.40 | 30.20 | 59.90 | 2.00 | 15.00 | 18.10 | 85.3 | 3.09 |
RS60-NP-3 | 19.05 | 3/4" | 11.91 | 12.70 | 5.96 | 35.65 | 38.15 | 75.50 | 2.40 | 18.10 | 22.80 | 121.0 | 4.54 |
RS80-NP-3 | 25.40 | 1" | 15.88 | 15.88 | 7.94 | 45.60 | 48.50 | 96.90 | 3.20 | 24.10 | 29.30 | 215.0 | 7.89 |