Descrição
A corrente Tsubaki ANSI Lambda NEP é uma corrente de transmissão concebida pela Tsubaki que combina resistência à corrosão e baixa manutenção para aplicações industriais exigentes, especialmente em ambientes sensíveis e de difícil acesso para manutenção.
Características principais:
Auto-lubrificante: A gama "Lambda" é conhecida pelo seu sistema de lubrificação automática, com um lubrificante sólido incorporado nos elos, o que elimina a necessidade de lubrificação externa frequente e evita a contaminação.
Revestimento NEP: Recebe um tratamento anticorrosivo denominado NEP (New Environmental Plating), que protege a corrente contra a corrosão, especialmente em ambientes húmidos ou sujeitos a produtos químicos ligeiros.
Durabilidade e resistência ao desgaste: A corrente foi concebida para minimizar o atrito e o desgaste, o que prolonga a sua vida útil mesmo em aplicações contínuas e de elevada carga.
Aplicações: Ideal para setores como alimentar, bebidas, farmacêutico, e outras indústrias que necessitem de correntes isentas de contaminação e resistentes ao ambiente.
Em síntese, a Tsubaki ANSI Lambda NEP é uma corrente resistente, de longa duração e de baixa manutenção, indicada para ambientes industriais onde a resistência à corrosão e a segurança contra a contaminação são prioritárias.
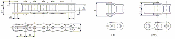
Características
SIMPLES |
|
Corrente Tsubaki No. | Passo | Diâmetro do Rolo | Lar. Int. do Elo Interno | Pinos | Placas | Força de tensão mínima | Força de tensão média |
Peso Aproximada |
||||||
P | d1 | b1 | Diâmetro (D2) | Dimensões (L1) |
(L2) | Comprimento (L) |
Espessura (T) | Espessura (t) | Altura H(max.) |
kN | kN | Kg/m | ||
RS40-LAMBDA-NEP-1 | 12.70 | 1/2" | 7.95 | 7.55 | 3.97 | 8.78 | 10.45 | 20.00 | 2.00 | 1.50 | 12.00 | 15.2 | 19.1 | 0.70 |
RS50-LAMBDA-NEP-1 | 15.875 | 5/8" | 10.16 | 9.26 | 5.09 | 10.75 | 12.45 | 24.00 | 2.40 | 2.00 | 15.00 | 24.0 | 31.4 | 1.11 |
RS60-LAMBDA-NEP-1 | 19.05 | 3/4" | 11.91 | 12.28 | 5.96 | 13.75 | 15.65 | 32.00 | 3.20 | 2.40 | 18.10 | 34.2 | 44.1 | 1.72 |
RS80-LAMBDA-NEP-1 | 25.40 | 1" | 15.88 | 15.48 | 7.94 | 17.15 | 20.25 | 39.90 | 4.00 | 3.20 | 24.10 | 61.2 | 78.5 | 2.77 |