Descrição
A corrente Tsubaki ANSI H é uma corrente de transmissão de alta resistência, concebida para aplicações pesadas.
Aqui estão algumas das suas principais características:
Placas laterais reforçadas: As placas laterais são mais espessas, conferindo maior resistência à tracção e à fadiga.
Pinos endurecidos: Os pinos são endurecidos para aumentar a durabilidade e a resistência ao desgaste.
Elevada capacidade de carga: Esta corrente é ideal para aplicações que exijam uma elevada capacidade de carga e resistência a condições severas.
Aplicações típicas: Utilizada em setores como a mineração, construção e outras indústrias pesadas.
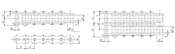
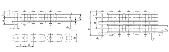
Características
SIMPLES |
|
Corrente Tsubaki No. | Passo | Diâmetro do Rolo | Lar. Int. do Elo Interno | Pinos | Placas | Passo Trans. | Força tensão ISO 606 | Peso Aprox. | ||||
P | d1 | b1 | Diâmetro (d2) | Dimensões (L1) |
L2 | Espessura (L) |
Altura H (Max.) | pt | kN | Kg/m | ||
RS60-H-1 | 19.05 | 3/4" | 11.91 | 12.70 | 5.96 | 14.80 | 17.00 | 3.20 | 18.10 | - | 44.1 | 1.80 |
RS80-H-1 | 25.40 | 1" | 15.88 | 15.88 | 7.94 | 18.30 | 20.90 | 4.00 | 24.10 | - | 78.5 | 3.11 |
RS100-H-1 | 31.75 | 1 1/4" | 19.05 | 19.05 | 9.54 | 21.80 | 24.50 | 4.80 | 30.10 | - | 117.7 | 4.58 |
RS120-H-1 | 38.10 | 1 1/2" | 22.23 | 25.40 | 11.11 | 26.95 | 30.55 | 5.60 | 36.20 | - | 166.8 | 6.53 |
RS140-H-1 | 44.45 | 1 3/4" | 25.40 | 12.71 | 12.71 | 28.90 | 33.10 | 6.40 | 42.20 | - | 215.8 | 8.27 |
RS160-H-1 | 50.80 | 2" | 28.58 | 31.75 | 14.29 | 33.95 | 38.45 | 7.15 | 48.20 | - | 269.8 | 10.97 |
RS200-H-1 | 63.50 | 2 1/2" | 39.68 | 38.10 | 19.85 | 42.90 | 48.10 | 9.50 | 60.30 | - | 461.0 | 18.41 |
DUPLA |
|
Corrente Tsubaki No. | Passo | Diâmetro do Rolo | Lar. Int. do Elo Interno | Pinos | Placas | Passo Trans. | Força tensão ISO 606 | Peso Aprox. | ||||
P | d1 | b1 | Diâmetro (d2) | Dimensões (L1) |
L2 | Espessura (L) |
Altura H (Max.) | pt | kN | Kg/m | ||
RS60-H-2 | 19.05 | 3/4" | 11.91 | 12.70 | 5.96 | 27.80 | 29.90 | 3.20 | 18.10 | 26.10 | 88.3 | 3.59 |
RS80-H-2 | 25.40 | 1" | 15.88 | 15.88 | 7.94 | 34.60 | 37.20 | 4.00 | 24.10 | 32.60 | 157.0 | 6.18 |
RS100-H-2 | 31.75 | 1 1/4" | 19.05 | 19.05 | 9.54 | 41.20 | 44.10 | 4.80 | 30.10 | 39.10 | 235.4 | 9.03 |
RS120-H-2 | 38.10 | 1 1/2" | 22.23 | 25.40 | 11.11 | 51.40 | 55.00 | 5.60 | 36.20 | 48.90 | 319.8 | 12.90 |
RS140-H-2 | 44.45 | 1 3/4" | 25.40 | 12.71 | 12.71 | 54.95 | 59.50 | 6.40 | 42.20 | 52.20 | 419.9 | 16.38 |
RS160-H-2 | 50.80 | 2" | 28.58 | 31.75 | 14.29 | 64.90 | 69.60 | 7.15 | 48.20 | 61.90 | 529.7 | 21.78 |